drylin® flange lead screw nut with spanner flat, trapezoidal thread, WFLM

WFRM-202020TR8X1.5 product image
igus-icon-lupe
WFRM-202020TR8X1.5 technical drawing
igus-icon-lupe
1 of 2
WFRM-202020TR8X1.5 product image
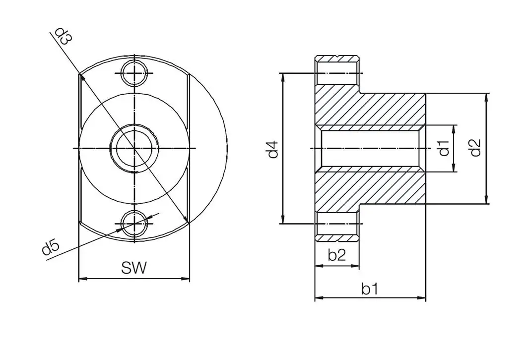
WFRM-202020TR8X1.5 technical drawing
  • Material: iglide® L280
  • Thread direction: Right-hand thread
  • Thread type: Trapezoidal threads
  • Design: Standard
  • Cylindrical lead screw nut with flange
  • With spanner flat
igus-icon-lieferzeitWFRM-202020TR8X1.5
20
20
36
TR08X1.5

Consulting

I would be happy to answer your questions in person

Juan-Eric Davidtz
Juan-Eric Davidtz

igus-icon-phone+27 11 312 1848

Consultation and delivery

In person:
Monday - Friday: 7 am - 8 pm
Saturday: 8 am - 12 pm
Online:
Chat service
Monday - Thursday: 8 am - 6 pm
Friday: 8 am - 5 pm
WhatsApp service
Monday to Friday: 8am to 4pm
What can we improve for you? Give us your feedback.

About igus®

Services

Contact

Our payment methods

  • Purchase on account

    Follow us

      Stay up to date and sign up for the igus® newsletter here.

      igus-icon-globeLanguage:English|Country:South Africa

      The terms "Apiro", "AutoChain", "CFRIP", "chainflex", "chainge", "chains for cranes", "ConProtect", "cradle-chain", "CTD", "drygear", "drylin", "dryspin", "dry-tech", "dryway", "easy chain", "e-chain", "e-chain systems", "e-ketten", "e-kettensysteme", "e-loop", "energy chain", "energy chain systems", "enjoyneering", "e-skin", "e-spool", "fixflex", "flizz", "i.Cee", "ibow", "igear", "iglidur", "igubal", "igumid", "igus", "igus improves what moves", "igus:bike", "igusGO", "igutex", "iguverse", "iguversum", "kineKIT", "kopla", "manus", "motion plastics", "motion polymers", "motionary", "plastics for longer life", "print2mold", "Rawbot", "RBTX", "RCYL", "readycable", "readychain", "ReBeL", "ReCyycle", "reguse", "robolink", "Rohbot", "savfe", "speedigus", "superwise", "take the dryway", "tribofilament", "tribotape", "triflex", "twisterchain", "when it moves, igus improves", "xirodur", "xiros" and "yes" are legally protected trademarks of the igus® SE & Co. KG/ Cologne in the Federal Republic of Germany and where applicable in some foreign countries. This is a non-exhaustive list of trademarks (e.g. pending trademark applications or registered trademarks) of igus SE & Co. KG or affiliated companies of igus in Germany, the European Union, the USA and/or other countries or jurisdictions.

      igus® SE & Co. KG points out that it does not sell any products of the companies Allen Bradley, B&R, Baumüller, Beckhoff, Lahr, Control Techniques, Danaher Motion, ELAU, FAGOR, FANUC, Festo, Heidenhain, Jetter, Lenze, LinMot, LTi DRiVES, Mitsubishi, NUM,Parker, Bosch Rexroth, SEW, Siemens, Stöber and all other drive manufacturers mention on this website. The products offered by igus® are those of igus® SE & Co. KG